HOTTIP-JRS-WRP

HOTTIP-JRS-WRP

HOTTIP-JRS-WRP


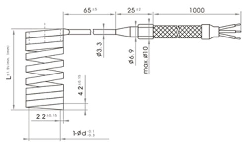
WRP/F2.2x4.2 Overall size

Related instruction

Standard stock specification:


Technical Parameters

Standard stock specification Parameter
Unheated length 65mm
Cluster joint length 25mm
Guide line 1000mmteflon insulated line, ground line, with GF cover
Voltage 1000mmteflon insulated line, ground line, with GF cover
Voltage 230V

Forming Specification:

forming specificatio: Parameter
Coiled length 20~200mm
Internal diameter 10~50/50.8mm(2")
Total length 340~900mm
Heated length 250-900mm(straigt)
250-900mm(straigt)

WRP/F2.2*4.2 Related parameter:

total L(MM): heating L(MM) Watt #(W)
340 250 195
370 280 215
425 335 240
475 385 295
550 460 350
610 520 400
610 520 400
690 600 460
850 760 610
990 900 690